新北樹林公寓法拍

房子基本資料
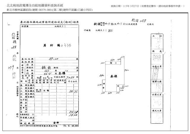
案名新北市樹林區東華街64號3樓案號115/04/28,第一拍,點交
地址新北市樹林區東華街64號3樓
銷售狀態待標中售價
售885萬
房子類型法拍公寓總登記坪數20.54 坪
格局屋齡45年
每坪單價43.09萬/坪公設比
車位法拍屋本物件是法拍屋
拍次 : 1
開標日期 : 4/28
建物所在樓層3/5管理費
管委會中庭
電梯沒有 是否為凶宅不是
300公尺內嫌惡設施面前道路
面寬縱深
邊間房子銷售來源不動產經紀人/專業仲介
房子特色

新北市樹林區法拍屋|樹林公寓法拍|東華街法拍|樹林低總價住宅

━━━━━━━━━━━━━━

樹林法拍屋

東華街法拍

樹林公寓法拍

新北市樹林區東華街64號3樓

━━━━━━━━━━━━━━



【案名】

樹林法拍公寓|東華街64號3樓



【拍賣資訊】

案號:114松181684

拍次:第一拍

開標日期:115/04/28(二)14:30

拍賣底價:885萬

保證金:約177萬

執行狀態:待標中

點交情形:點交



━━━━━━━━━━━━━━



【物件基本資料】

房屋類型:公寓

建物結構:鋼筋混凝土造

主要用途:住家用

建物所在樓層:3樓/總樓層5樓

屋齡:約45年

房屋格局:依現況



━━━━━━━━━━━━━━



【坪數資料】

總坪數:20.54坪

主建物:16.55坪

附屬建物:3.99坪

土地持分:9.20坪

每坪單價:約43.1萬/坪



━━━━━━━━━━━━━━



【物件特色】

◎樹林低總價公寓,首購族可切入

◎第三樓層,公寓中段樓層接受度高

◎拍定後點交,使用權明確

◎法院初步調查無重大事故紀錄

◎總價885萬,低門檻產品





━━━━━━━━━━━━━━



【生活機能】

◎樹林在地生活圈成熟

◎周邊商店、小吃、日常採買方便

◎住宅密集區,自住需求穩定



━━━━━━━━━━━━━━



【交通機能】

◎東華街連接樹林主要道路

◎可快速銜接樹林車站、板橋生活圈



━━━━━━━━━━━━━━



📌法拍屋說明

法拍屋無法完整看室內,需透過:

.法院筆錄

.建物現況

.鄰里訪查

.區域行情

綜合評估



📌法拍貸款說明

法拍貸款分為代墊尾款與一般房貸兩類,

與104法拍網長期配合銀行亦可承作相關案件。



━━━━━━━━━━━━━━



📲LINE諮詢

https://line.me/ti/p/MJcPvp3nG8



104法拍網法拍服務團隊

雙人代拍|全台專業代標|銀行貸款評估



━━━━━━━━━━━━━━



【投標諮詢|雙人代標】

林小姐Anna|0986-678-928

黃先生Pitt|0984-508-898



代標找林小姐,安心又會標~Anna幫你買到家!

坪數說明
建物登記總坪數20.54土地登記總坪數9.2
主建物坪數16.55停車位坪數
附屬建物坪數3.99公共設施坪數
增建坪數地下室坪數
房子聯絡人資訊
聯絡人姓名林宸妍
(煩請告知聯絡人,您是在889房子網看到這則廣告,真摯感恩您的幫忙)
Line加入好友Line加入好友
手機
0986-678-928(林宸妍)
所屬公司名稱財欣不動產管理顧問有限公司 統編:22857204|合法營業|提供正式發票
公司電話0986678928公司傳真
公司地址桃園市桃園區莊敬路一段346號4F
網址http://www.0986678928.tw
贊助商廣告
桃園廠房,桃園廠房出租,桃園廠房出售
新北法拍屋,新北市法拍屋,新北法院法拍屋
售新北公寓
樹林公寓法拍-1
樹林公寓法拍-1
樹林公寓法拍-2
樹林公寓法拍-2
樹林公寓法拍-3
樹林公寓法拍-3
樹林公寓法拍-4
樹林公寓法拍-4
樹林公寓法拍-5
樹林公寓法拍-5
物件地圖
物件留言
請注意,如果您詢問的內容與物件不相符合或是廣告,經過審核,系統將會直接刪除您的發問內容
等待圖示
檢舉物件不實
等待圖示
黃金曝光
相似物件

+8-07-7963288客服電話
本房子網站為租用式開放房仲網站建置平台, 僅提供房子仲介會員刊登 - 新北樹林公寓法拍,法拍屋 - 等房子 / 土地 / 廠房 / 法拍資訊參考, 並不涉入任何諮詢、交易。物件(服務)聯絡人公佈的圖文影音資訊若有侵犯智財權或與客戶聯絡交易過程中若衍生民事或刑事等法律問題, 皆與本網站無關。
●電話:07-7963288