新北瑞芳公寓法拍

房子基本資料
案名瑞濱國小 邊間陽光三樓 新北市瑞芳區永龍新邨12號3樓案號第二拍115/3/31(二)
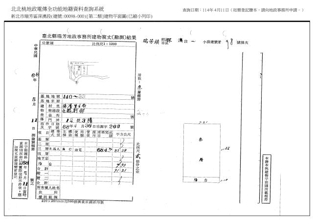
地址新北市瑞芳區永龍新邨12號3樓
銷售狀態待標中售價
售340萬售289萬
房子類型法拍公寓總登記坪數27.59 坪
格局屋齡47年
每坪單價10.47萬/坪公設比
車位法拍屋本物件是法拍屋
拍次 : 2
開標日期 : 第二拍115/3/31(二)
建物所在樓層3/3管理費
管委會中庭
電梯沒有 是否為凶宅不是
300公尺內嫌惡設施面前道路
面寬縱深
邊間房子銷售來源不動產經紀人/專業仲介
房子特色

新北市瑞芳區法拍屋|永龍新邨法拍|瑞芳公寓法拍|瑞芳一拍法拍|瑞芳低總價法拍|瑞濱國小法拍



瑞芳法拍屋-新北市瑞芳區永龍新邨12號3樓|公寓|點交



房屋類型:公寓

建物所在樓層:3樓/總樓層3樓

屋齡:約47年

房屋格局:依現況



建物登記總坪數:27.58坪

主建物坪數:25.19坪

附屬建物坪數:2.39坪

土地登記坪數:11.79坪



建物結構:RC

主要用途:住家用



地址:新北市瑞芳區永龍新邨12號3樓



生活機能:

近瑞濱國小,步行可達

鄰近台鐵瑞芳車站,交通便利

瑞芳生活圈成熟,基本採買可滿足



【法院筆錄摘要】

●點交情形:有點交

債務人母親偶爾居住,有水有電,無增改建、無分管車位。

現況屋內天花板及牆壁油漆嚴重剝落,木質隔間腐壞,部分牆壁龜裂及水泥塊剝落,後門損壞,屋內遺留老舊破損家具,拍定後依現況點交。

經查無火災、輻射屋、海砂屋或地震受創紀錄,惟物之瑕疵拍定後無擔保請求權,投標前請自行查明評估。



【拍賣紀錄】

第一拍|115/03/03|底價340萬|保證金68萬|點交



第二拍|八折降價|底價272萬|單價9.9萬/坪

第三拍|八折降價|底價217.6萬|單價7.9萬/坪



代標找林小姐

安心又會標~Anna幫你買到家!



【投標諮詢|雙人代標】

林小姐0986-678-928(同LINE)

黃先生Pitt0984-508-898(同LINE)

👉https://line.me/ti/p/MJcPvp3nG8

坪數說明
建物登記總坪數27.59土地登記總坪數11.8
主建物坪數25.19停車位坪數
附屬建物坪數2.4公共設施坪數
增建坪數地下室坪數
房子聯絡人資訊
聯絡人姓名林宸妍
(煩請告知聯絡人,您是在889房子網看到這則廣告,真摯感恩您的幫忙)
Line加入好友Line加入好友
手機
0986-678-928(林宸妍)
所屬公司名稱財欣不動產管理顧問有限公司 統編:22857204|合法營業|提供正式發票
公司電話0986678928公司傳真
公司地址桃園市桃園區莊敬路一段346號4F
網址http://www.0986678928.tw
贊助商廣告
桃園廠房,桃園廠房出租,桃園廠房出售
新北法拍屋,新北市法拍屋,新北法院法拍屋
賣公寓
瑞芳拍賣公寓-1
瑞芳拍賣公寓-1
瑞芳拍賣公寓-2
瑞芳拍賣公寓-2
物件地圖
物件留言
請注意,如果您詢問的內容與物件不相符合或是廣告,經過審核,系統將會直接刪除您的發問內容
等待圖示
檢舉物件不實
等待圖示
黃金曝光
相似物件

+8-07-7963288客服電話
本房子網站為租用式開放房仲網站建置平台, 僅提供房子仲介會員刊登 - 新北瑞芳公寓法拍,法拍屋 - 等房子 / 土地 / 廠房 / 法拍資訊參考, 並不涉入任何諮詢、交易。物件(服務)聯絡人公佈的圖文影音資訊若有侵犯智財權或與客戶聯絡交易過程中若衍生民事或刑事等法律問題, 皆與本網站無關。
●電話:07-7963288