松山區大樓法拍

房子基本資料
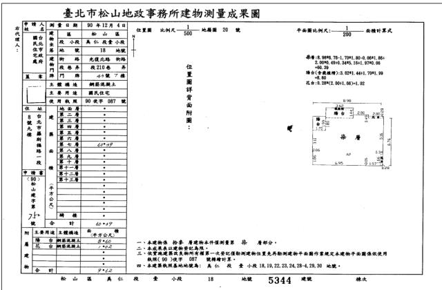
案名住家大樓【 松山華城10區】松山區光復北路210巷43號7樓案號114職四134金
地址台北市松山區光復北路210巷43號7樓<13>社區/大樓松山華城10區
銷售狀態待標中售價
售3057萬售2446萬
房子類型法拍大樓總登記坪數36.85 坪
格局屋齡24年
每坪單價66.38萬/坪公設比
車位法拍屋本物件是法拍屋
拍次 : 第三拍
開標日期 : 115/02/04
建物所在樓層7樓/共13樓管理費
管委會中庭
電梯未知 是否為凶宅
300公尺內嫌惡設施面前道路
面寬縱深
邊間房子銷售來源不動產經紀人/專業仲介
房子特色

▲拍賣公告:金服公司
▲拍賣標的物:台北市松山區光復北路210巷43號7樓<13>
▲【謄本資料】:總坪數36.85坪主建坪18.27坪,附屬坪2.91坪,公設坪15.67坪
▲【法院筆錄】:
建物鄰近台北小巨蛋捷運站商圈,現場無水、無電,似無人居住,債務人表示偶爾會來,每月管理費新臺幣500元
▲【生活機能】:
▲【拍次說明】:
標售拍次(目前拍次底價):
第一拍底價:3822萬
第二拍底價:3057萬
第三拍底價:2446萬
拍賣日期:115/02/04
▲台北∣新北∣桃園∣新竹
★Houseinfo:http://www.xn--ogt54mdnjqrqpix.tw/
▲【代標服務】
<過濾案件>追蹤拍賣日期...
<評估案件>投標全場陪同及標價最後建議...
<包辦交屋>與法院協商現住人交屋事項...
<代墊尾款>辦理銀行代墊及投標尾款手續...

※此案件為法拍屋無法看屋,實際狀況以法院筆錄為主。
詳細資訊了解請撥李小姐(02)8260-2416|0986-508652
財欣不動產管理顧份有限公司【統一編號】28306523
坪數說明
建物登記總坪數36.85土地登記總坪數
主建物坪數18.27停車位坪數
附屬建物坪數2.91公共設施坪數15.67
增建坪數地下室坪數
周邊環境
生活機能民生國小旁,鄰近國軍松山醫院鄰近交通
鄰近地標公園綠地
鄰近學區捷運站
房子聯絡人資訊
聯絡人姓名李小姐
(煩請告知聯絡人,您是在889房子網看到這則廣告,真摯感恩您的幫忙)
Line加入好友Line加入好友
手機
0986-508-652(李小姐)
所屬公司名稱財欣不動產管理顧問有限公司/專業代標/合法經紀業者
公司電話聯絡電話:02-82602416 / 0986508652公司傳真
公司地址新北市土城區金城路二段396號11樓/桃園市莊敬路一段346號4樓
網址http://www.法拍屋代標推薦.tw
贊助商廣告
台北大安區房屋,台北大安區房屋出售,台北大安區房屋資訊
新北法拍屋,新北市法拍屋,新北法院法拍屋,新北法拍屋查詢公告
大樓
台北法拍大樓-1
台北法拍大樓-1
台北法拍大樓-2
台北法拍大樓-2
台北法拍大樓-3
台北法拍大樓-3
台北法拍大樓-4
台北法拍大樓-4
物件地圖
物件留言
請注意,如果您詢問的內容與物件不相符合或是廣告,經過審核,系統將會直接刪除您的發問內容
等待圖示
檢舉物件不實
等待圖示
黃金曝光
相似物件

+8-07-7963288客服電話
本房子網站為租用式開放房仲網站建置平台, 僅提供房子仲介會員刊登 - 松山區大樓法拍,法拍屋 - 等房子 / 土地 / 廠房 / 法拍資訊參考, 並不涉入任何諮詢、交易。物件(服務)聯絡人公佈的圖文影音資訊若有侵犯智財權或與客戶聯絡交易過程中若衍生民事或刑事等法律問題, 皆與本網站無關。
●電話:07-7963288