| 房子特色 | 104法拍網代標//透明房訊 //法拍讀書會//透明實價網//投資課程㊣㊣㊣業界最大法拍屋專業機構㊣㊣㊣ 法拍個案拍賣資訊均與 司法院 // 台灣金融資產服務股份有限公司// 法務部行政執行署拍賣資訊同步刊登,隨時更新!!! ★法拍屋不提供賞屋服務→可透過地政機關建物平面圖、位置圖等資料分析判斷之★
本件拍賣資訊節錄: 點交情形→拍賣建物據債權人查報非兇宅或海砂屋、輻射屋,又債務人自113年5月起即積欠管理費、每月1200元(管理費部分僅為債權人114年3月5日陳報狀記載之狀態,實際金額仍應向管委會查詢);再函詢分局,其函復該址五年內並無非自然死亡案件之現場勘查資紀錄,請應買人參考、注意。於現場執行時,拍賣建物屋內有大量物品,其後經函警協查,無人居住,建物拍定後點交。本件標的物據債權人查報陳稱有一車位編號為地下一層76號,惟建物登記謄本中並無停車位之記載,本註記僅供參考,如有爭議,以實體確定判決為準;又此部分拍定後不進行點交,應買人亦不得以上開車位之有無而為爭執或請求撤銷拍賣,請特別注意。
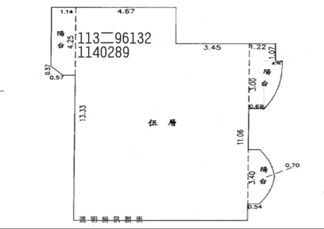
謄本資料→[謄本]:總坪數53.48坪[主建坪30.37坪,附屬坪3.93坪,公設坪19.18坪(建號:775,784)][RC造/住家用]
是【大學法律學系的法學士】→1996年畢業 也是【通過國家考試及格執業21年的代書】→2004年迄今 更是【任職律師事務所職司法律相關事務30年的法務經理】→1995年迄今 能精準為您分析判讀法拍個案的觸角,維繫您的個案權益。 專業指名:張世興代書 服務專線:02-2263-1206 行動電話:0986-666-000
公司名稱:一零四法拍網股份有限公司/統一編號28306523 經紀人名字&字號:林桂英/北市經證第001243號 營業員名字&證照號碼:張世興/(107)登字第331706號
個案物件均依各拍賣機關拍賣公告底價投開標.如當拍未拍定時,除經債權人聲明指定底價外.原則依前拍底價酌減20%估算次拍底價(強制執行法第91條、92條參照) 【第一拍:1020萬114年10月14日流標】 【第二拍:816萬114年11月11日待標】 【第三拍:萬年月日】
張世興代書→其他法拍屋搜尋網站: H0USEINFO→http://www.沿金標法拍.tw 樂屋網→ https://vip.rakuya.com.tw/0986666000/sell |
|---|