士林大樓法拍

房子基本資料
案名520 近捷運劍潭站|前港公園旁|圓山巴黎|方正邊間華廈一樓案號士林114實56077
地址台北市士林區後港街160-2號1樓社區/大樓圓山巴黎
銷售狀態待標中售價
售3774萬6000元售3020萬3000元
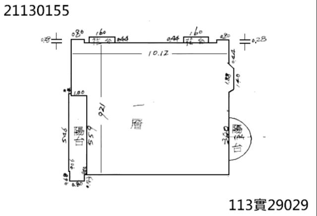
房子類型法拍大樓_華廈_一樓總登記坪數52.4 坪
格局方正邊間華廈一樓屋齡28年
每坪單價57.64萬/坪公設比42.1 %
車位B2-32號坡道式平面車位法拍屋本物件是法拍屋
拍次 : 3
開標日期 : 115/05/20(三) 14:30
建物所在樓層1樓/共12樓管理費
管委會中庭
電梯是否為凶宅不是
300公尺內嫌惡設施面前道路
面寬縱深
邊間房子銷售來源不動產經紀人/專業仲介
房子特色
104法拍網代標//透明房訊//法拍讀書會//透明實價網//投資課程㊣㊣㊣業界最大法拍屋專業機構㊣㊣㊣
法拍個案拍賣資訊均與司法院//台灣金融資產服務股份有限公司//法務部行政執行署拍賣資訊同步刊登,隨時更新!!!
★法拍屋不提供賞屋服務→可透過地政機關建物平面圖、位置圖等資料分析判斷之★

本件拍賣資訊節錄:
點交情形→民國114年7月24日現場查封時,第三人即債務人之兒子周○宇在場稱21126建號房屋為債務人及家人共同居住使用;據社區總幹事稱配賦之停車位在地下2樓,編號32號,承租人李○峰具狀陳報自113年12月16日起承租,每月租金5,000元,無書面租約。因停車位係拍賣共有部分,應由全體區分所有權人協議使用分管方法,故不予點交。21832建號係作為社區管理室使用。21126建號(除停車位外)拍定後點交,其餘係係拍賣不動產應有部分,拍定後不點交。

謄本資料→[謄本]:總坪數52.40坪[主建坪26.86坪,附屬坪3.47坪,公設坪22.07坪(建號:21145,21146,21083)][RC造/住家用]
是【大學法律學系的法學士】→1996年畢業
也是【通過國家考試及格執業22年的代書】→2004年迄今
更是【任職律師事務所職司法律相關事務31年的法務經理】→1995年迄今
能精準為您分析判讀法拍個案的觸角,維繫您的個案權益。
專業指名:張世興代書
服務專線:02-2270-0600
行動電話:0986-666-000

公司名稱:一零四法拍網股份有限公司/統一編號28306523
經紀人名字&字號:林桂英/北市經證第001243號
營業員名字&證照號碼:張世興/(107)登字第331706號

個案物件均依各拍賣機關拍賣公告底價投開標.如當拍未拍定時,除經債權人聲明指定底價外.原則依前拍底價酌減20%估算次拍底價(強制執行法第91條、92條參照)
【第一拍:4717萬115年03月11日流標】
【第二拍:3774.6萬115年04月08日流標】
【第三拍:3020.3萬115年05月20日待標】
【公告應買:萬年月日】
【第四拍:萬年月日】

張世興代書→其他法拍屋搜尋網站:
H0USEINFO→http://www.沿金標法拍.tw
樂屋網→https://vip.rakuya.com.tw/0986666000/sell
坪數說明
建物登記總坪數52.40土地登記總坪數10.36
主建物坪數26.86停車位坪數
附屬建物坪數3.47公共設施坪數22.07
增建坪數地下室坪數
房子聯絡人資訊
聯絡人姓名張世興
(煩請告知聯絡人,您是在889房子網看到這則廣告,真摯感恩您的幫忙)
Line加入好友
手機
0986-666-000(張世興)
所屬公司名稱一零四法拍網股份有限公司 / 統一編號 28306523
公司電話沿金標法拍◆(02)2270-0600 ★ 0986-666-000 張世興代書◆『法拍』購屋首選公司傳真(02)2274-0884
公司地址新北市土城區金城路二段396號11樓
網址http://www.沿金標法拍.tw
贊助商廣告
台北大安區房屋,台北大安區房屋出售,台北大安區房屋資訊
新北法拍屋,新北市法拍屋,新北法院法拍屋,新北法拍屋查詢公告
台北士林大樓
台北拍賣大樓-1
台北拍賣大樓-1
台北拍賣大樓-2
台北拍賣大樓-2
台北拍賣大樓-3
台北拍賣大樓-3
台北拍賣大樓-4
台北拍賣大樓-4
台北拍賣大樓-5
台北拍賣大樓-5
台北拍賣大樓-6
台北拍賣大樓-6
台北拍賣大樓-7
台北拍賣大樓-7
台北拍賣大樓-8
台北拍賣大樓-8
台北拍賣大樓-9
台北拍賣大樓-9
台北拍賣大樓-10
台北拍賣大樓-10
台北拍賣大樓-11
台北拍賣大樓-11
物件地圖
物件留言
請注意,如果您詢問的內容與物件不相符合或是廣告,經過審核,系統將會直接刪除您的發問內容
等待圖示
檢舉物件不實
等待圖示
黃金曝光
相似物件

+8-07-7963288客服電話
本房子網站為租用式開放房仲網站建置平台, 僅提供房子仲介會員刊登 - 士林大樓法拍,法拍屋 - 等房子 / 土地 / 廠房 / 法拍資訊參考, 並不涉入任何諮詢、交易。物件(服務)聯絡人公佈的圖文影音資訊若有侵犯智財權或與客戶聯絡交易過程中若衍生民事或刑事等法律問題, 皆與本網站無關。
●電話:07-7963288